无需集中器,安装更方便,手机即可远程抄表
通过报表分析数据,轻松导出
选择不同计量点(年、月、日、小时)的数据进行比对
产品名称智能电磁流量计
产品型号社为表计
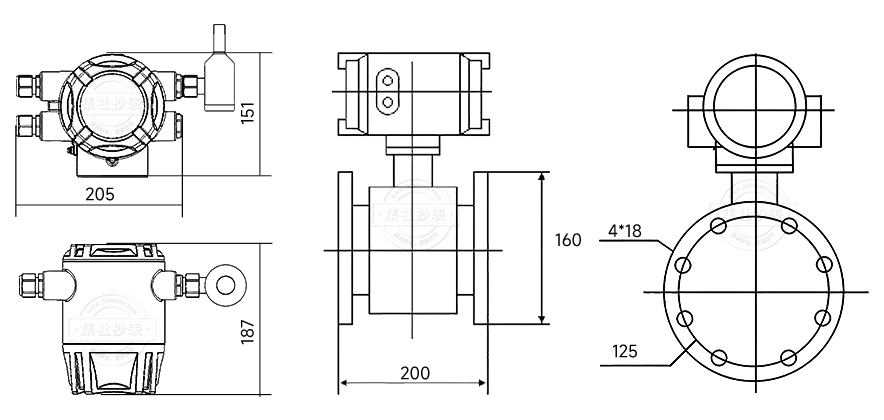
测量口径DN15-400
工作压力4Mpa、1.6Mpa、1.0Mpa
使用介质导电液体、各种强酸、强碱液体、冷凝水
输出信号默认4-20ma变送输出
通讯协议Modbus协议
供电电压220V
准确精度0.5级
防护等级IP65
通讯接口4G、RS-485
表体材料碳钢(可定制不锈钢)
电极材质316L不锈钢
工作温度一体型-10~+60°C
向客户提供低价高效的物联网智能远程抄表系统
我们提供的案例,是经过现场实拍的真实案例,点击后可查看实拍详情!
了解详情 >
了解详情 >
了解详情 >
了解详情 >
了解详情 >




